Surface Treatment Business
Surface Treatment Business

About
About Our Surface Treatment Business
Integrating the full range of powder metallurgy technologies
The Sumitomo Heavy Industries Himatex surface treatment business handles the manufacturing and sales of differentiated products developed by leveraging the full range of powder metallurgy technologies to deliver superior wear resistance and corrosion resistance, as well as the SHM (surface-hardened materials), SMR (powder extrusion materials), and LMD (laser metal deposition/lamination) series.
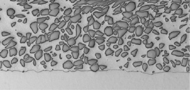
SHM Series
SHM Series
(Surface-Hardened Materials)

Offering enhanced wear resistance, longer service lives, and more comfortable production environments.
We have developed an original material and processing method called SHM, which stands for Surface-Hardened Materials, by integrating the casting, overlay, thermal spraying, and powder metallurgy technologies we have cultivated up to this point. SHM makes it possible to efficiently supplement features just as needed in needed areas only. Featuring a lineup built up through our over 30-year track record and experience, the series offers our customers more comfortable production environments.
What is SHM?
SHM is a method of lining exterior sections where wear resistance, corrosion resistance, thermal resistance, and/or sliding properties are required with SHM alloys at millimeter-level thicknesses. While many general lining methods exist, including TIG (tungsten inert gas) overlay, gas overlay, PTA (plasma transferred arc) overlay, flame spraying, plasma spraying, and high-speed flame spraying, SHM is a proprietary, original processing method of our own that does not fall into any such existing classifications. Developed by combining the casting, overlay, thermal spraying, and powder metallurgy technologies we have cultivated up to this point, the method supplements features just as needed in needed areas only with non-delaminating linings of SHM alloys featuring fine, uniform structures.
Our proprietary, original SHM processing provides solutions to issues such as void generation and delamination that occur with methods such as conventional plasma spraying and the latest HVOF (high-velocity oxygen fuel) coating methods. SHM alloy linings with up to 2-mm thicknesses can be applied to outer surfaces where properties like greater hardness and/or corrosion resistance are desired. With the option of adding in hard particles, SHM alloys deliver outstanding wear resistance.
Advantages of SHM
Making body pieces themselves out of materials with outstanding wear resistance, corrosion resistance, and/or thermal resistance can lead to issues such as high costs and unsuitability for machining. But what if affordable materials could be used for the body while desired features were added to particular sections only on an as-necessary basis? This was the concept that brought about numerous processing methods, including nitridization, carburizing, high-frequency quenching, metal-plating, overlay, and thermal spraying. Such approaches, however, are not always sufficient, as the hard coating may end up being too thin, it may offer insufficient wear resistance, or delamination may occur depending on the usage environment. It was in response to concerns such as those that we developed SHM.
SMR Series
SMR Series
(Powder extrusion materials)

Delivering outstanding resistance to wear, surface roughening (chatter marks), and corrosion — as well as lengthened service lives!
SMR is a powder-made high-alloy steel for tension levelers’ work rolls manufactured with a special process using high-carbon, high-alloy steel, which cannot be manufactured with conventional forging (smelting) processes that start with ingots.
What is SMR?
SMR is a high-carbon, high-alloy steel with a composition that is not possible to manufacture with conventional smelting methods. Produced with powder metallurgy technologies, the materials offer extraordinary mechanical properties, wear resistance, and corrosion resistance, as they feature uniformly fine carbide dispersion without the coarsening of primary carbide particles seen in materials such as SNS 440C and SKD-11.
Advantages of SMR
In addition to being used for correcting shape imperfections in steel sheets, tension levelers offer scale-breaking functions. Their rolls are subject to harsh conditions with high surface pressure applied to them, slipping that occurs between them and the steel sheets, biting of delaminated scale powder, and getting splashed with spray water used for scale powder collection. Accordingly, we developed this powder-made high-alloy steel offering outstanding resistance to wear, surface roughening (chatter marks), and corrosion to facilitate long service lives.
LMD Series
LMD Series
(Laser metal deposition/lamination)
Performing high-quality overlay work with some of the largest equipment in Japan & state-of-the-art technologies.
Surface reforming is performed with the overlay of materials offering high wear resistance, corrosion resistance, and so on, using lasers as the heat source. We have introduced some of the largest LMD equipment in Japan in our facilities.
Advantages of LMD (Laser metal deposition)
Represents a new hardfacing technique that has attracted attention through the development of laser processing technologies
Capable of forming thick coatings offering high performance such as wear resistance and corrosion resistance on sections as required
Offers environmental impact reduction due to factors including lengthened component service lives and restoration/repair of worn components
Extreme wear resistance example:
Hard particle compound
Welding appearance example:
Injection molding screw
Restoration/repair example:
Shaft of a roll for a rolling mill
Main Clients
Main Clients
(Listed in no particular order)- Nippon Steel Corporation
- JFE Steel Corporation
- Mitsubishi Steel Muroran Special Steel Co., Ltd.
- Kobe Steel, Ltd.
- Yodogawa Steel Works, Ltd.
- TOYO TANSO CO., LTD.
- Hosokawa Micron Corporation
- Shinkansai Steel Co., Ltd.
- ISOBE IRON WORKS Co., Ltd.
- China Steel Corporation
- TOKUDEN CO., LTD.
- Topy Industries, Ltd.
- Suehiro EPM Co., Ltd.
- Nippon Overlay Industry Co., Ltd.
- Osaka Steel Co., Ltd.

